产品介绍
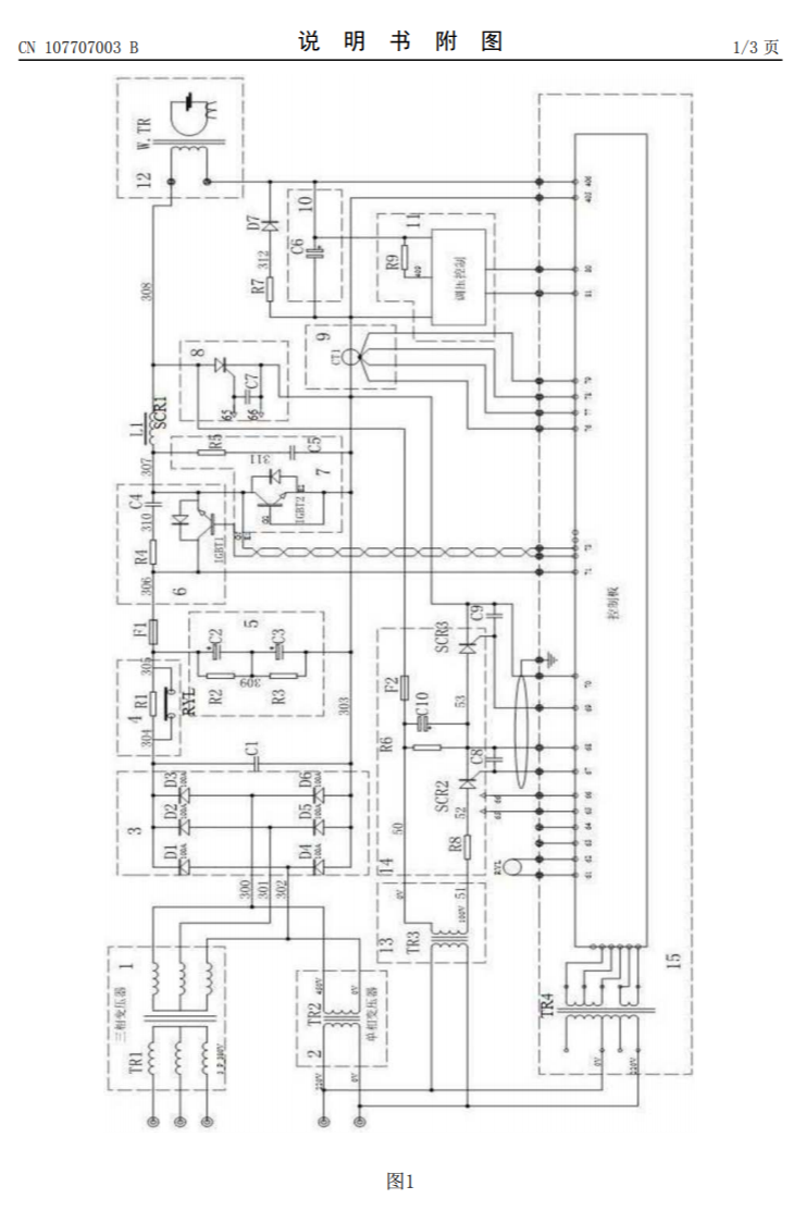
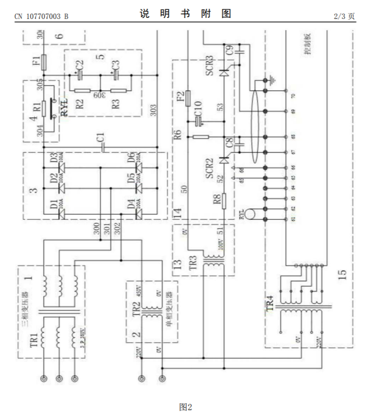
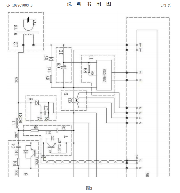
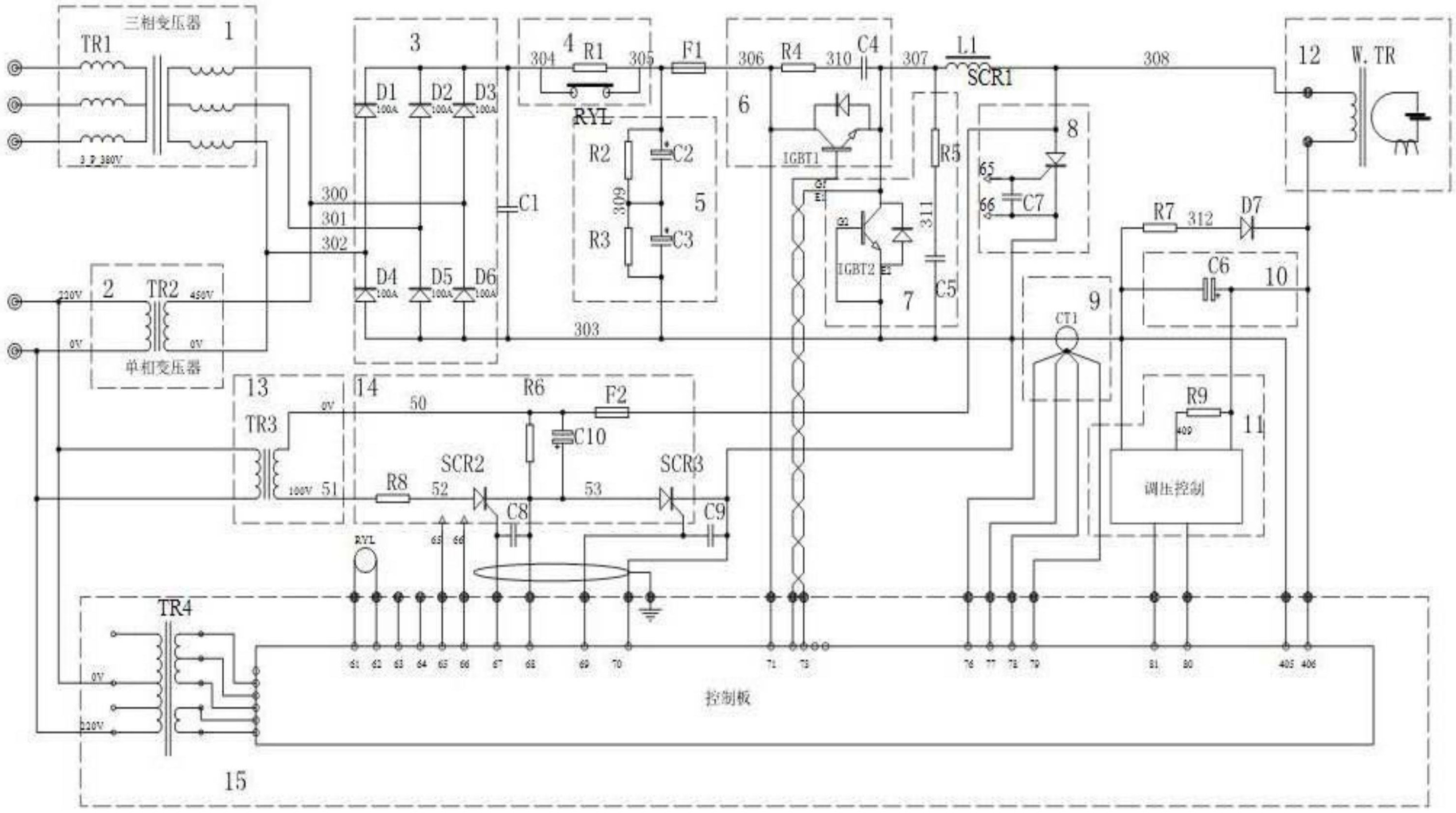
本发明涉及焊机技术领域,尤其是PWM脉宽式恒流充电式电容储能焊充电控制系统,它包括三相充电变压器、单相充电变压器、整流回路、DC_LINK滤波回路、PWM充电控制部分、充电电流检测部分、焊接变压器、放电回路、放电关断电路、放电电流检测部分、放电控制部分和电容器组;无论输入电源是单相或者三相,均可以用同一控制器进行控制,采用PWM脉宽调制方式,比SCR调节方式精度提高10倍以上(以1000HZ而计),采用霍尔电流传感器,实时采样充电电流,利用它调整PWM脉冲宽度,从而实现恒流控制;充放电都利用焊接变压器,充电电流方向和放电电流方向两者相反,这样可以有效防止变压器磁化。

产品规格

