焊机电极专用简易维护工具

平衡重式叉车

Product introduction

产品介绍

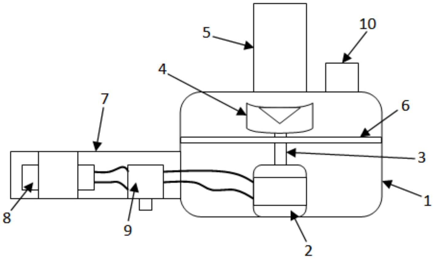
本实用新型涉及焊机技术领域,尤其是一种焊机电极专用简易维护工具;它包括圆柱形的壳体,壳体内竖直安装有一电动马达,电动马达的转轴顶部安装有磨材,所述壳体的一侧固接有一手柄,手柄安装有电池和按键开关,所述壳体顶部对应摩擦的位置上连通有一套管,可现场对焊机电极进行简易打磨修复,该过程不需要将电极拆卸,提高了工作效率,降低了劳动强度;另外本实用新型的打磨方式是通过电动马达驱动的,无需手工打磨,又进一步降低了劳动强度。

Product Specifications

产品规格

image.png


标签

0
上一篇:逆变式储能焊机2020-12-28

我们致力于电阻焊电源等领域为客户提供有竞争力、 安全可信赖的产品、解决方案与售后服务,与生态伙伴开放合作,持续 为客户创造价值,释放企业效率,激发企业活力。

销售服务热线:010-62621230

地址 : 北京市房山区天星街1号院10号楼10层1009

双穗电气


快速搜索fast search

致力于电阻焊电源等领域

双穗电气


Copyright © 北京双穗电气设备有限公司   All rights reserved   备案号:京ICP备2022029937号-1 北京双穗电气设备有限公司   主要从事于 电动叉车品牌, 欢迎来电咨询! 服务支持:TYNET
网站地图 本站部分内容图片来源于互联网,如有侵权尽早时间联系管理员删除,谢谢!